1. 丝瓜视频黄色下载,丝瓜视频免费在线,丝瓜视频污污下载,成人丝瓜视频在线观看

      欢迎进入丝瓜视频免费在线生产厂家-徐州丝瓜视频黄色下载测控设备有限公司
      成人丝瓜视频在线观看资讯

      服务热线15665168818

      给料机输送皮带全自动化纠偏效果是怎样实现的?

      作者:丝瓜视频黄色下载测控 发布时间:2022-03-06 09:34:46点击:733


      随着传输系统在工厂企业的大量使用,皮带跑偏多数已成为输送行业中主要的故障因素之一,造成工业皮带跑偏的原因众多,但由于传送带运转期间各种应力的不断变化,很难实现自动纠偏的作用,效果不明显,实现运输皮带的自动纠偏成为当务之急。


      在工业生产的自动给料系统中,由于各种原因,给料皮带经常跑偏,严重影响了生产效率,因此机器设备需要一套自动纠偏装置,来实现给料机皮带的自动纠偏功能。


      纠偏装置是一种修正皮带在向前运动中出现的侧边误差的机械装置,是由固定的底座和带有一根或几根的旋转装置,这种旋转装置成为摆动支架,围绕着一个固定的或者虚拟的旋转点运动。


      纠偏装置可以提供丝瓜视频黄色下载所需要的纠偏控制,帮助生产线有效而且高效的运转,和适当的感应器、驱动器等纠偏组件组合,纠偏装置可以提供高精度、均衡、闭环、有着高动态响应的控制系统。


      给料机输送皮带全自动化纠偏效果是怎样实现的?


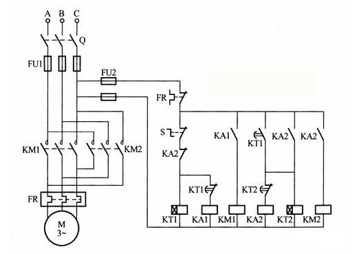
      下图是一种由一台电动机在规定时间范围内作连续可逆的正反方向运转的纠偏控制电路。


      电动机正反转纠偏(时间继电器)控制电路接线图


      上面的正反转控制是采用两只交流接触器换相的方式来实现纠偏的,在实际生产中,由于给料皮带经常跑偏,纠偏装置动作频繁,交流接触器也换相比较频繁,交流接触器非常容易损坏,一般只能使用几个月,严重影响了纠偏装置的稳定运行。


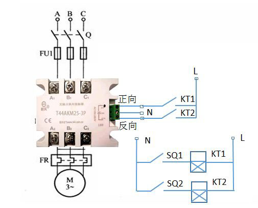
      下图是改用无触点正反转接触器(型号T44AKM)控制的纠偏电路


      无触点正反转接触器(T44AKM)控制电路接线图



      图中 SQ1为正向限位开关,SQ2为反向限位开关,KT1、KT2为延时可调的延时继电器。


      当正向限位开关SQ1动作时,KT1通电,延时几秒,KT1常开闭合,接通无触点接触器,控制电机正转,当给料机构纠偏完成后,电机停止运转,电路回复初始状态。


      当反向限位开关SQ2动作时,KT2通电,延时几秒,KT2常开闭合,接通无触点接触器,控制电机反转,当给料机构纠偏完成后,电机停止运转,电路回复初始状态。


      用三相无触点正反向接触器(T44AKM型)代替普通接触器的效果;


      1.换向速度最高可达每分钟60次,可满足各种整流器件的需要。


      2、正反相转换,接触器动作无火花,无噪音。


      3.因为是无触点换向,所以使用寿命长,工作可靠。


      4.结构强度高,抗冲击和振动能力强。



      相关标签:给料机
      网站地图